雙針壓力表
產品名稱:雙針壓力表
產品編號:93343-892
產品型號:YZS-102
更新時間:2013.06.10
企業單位:江蘇中偉測控儀表有限公司
瀏覽次數:
更多產品圖片:
產品編號:93343-892
產品型號:YZS-102
更新時間:2013.06.10
企業單位:江蘇中偉測控儀表有限公司
瀏覽次數:
更多產品圖片:
產品詳細介紹:

一、產品概述:
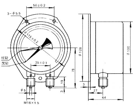
YZS-102系列雙針壓力表主要適用于機車車輛上用來測量液壓系統或儲氣缸的確良壓力,亦可用于對銅合金錫鉛合金釬焊無腐蝕性,非結晶和凝固的種介質的壓力測量。可同時測量兩個相同或不相同(兩者之差一般應不大于標度范圍上的限值的1/3)的壓力。
二、結構原理:
YZS-102系列雙針壓力表由兩套各自獨立的測量系統和指示裝置等組成。
YZS-102系列雙針壓力表的工作原理是基于彈性元件(測量系統中的彈簧管)的彈性變形。即在被測介質的壓力作用下,迫使兩彈簧管之末端各自產生相應的位移,借助于拉桿經此輪傳動機構的傳動并予放大,由固定于此輪軸上的紅、黑指針將兩個被測值分別在刻度盤上指示出來。
三、技術參數:
1、準確度等級:1.5;
2、測量范圍:0~1000;1200*;1600;2500KPa(標*者為特殊規格);
3、使用環境條件:5~60℃,相對濕度不大于80%;
4、溫度影響:不大于0.4%/10℃(使用溫度偏離20±5℃);
5、重量:0.7Kg。
四、規格型號:
|
型號 |
精度等級 |
使用環境條件 |
溫度影響 |
測量范圍(Kpa) |
|
YZS-102 |
1.5 |
5~60℃,相對濕度不大于80% |
使用溫度如偏離20±5℃時,其溫度附加誤差不大于0.4%10℃ |
0~1000 0~1200 |

六、設計選用及訂貨須知:
1、訂貨時請注明型號,名稱,測量范圍,接頭螺紋尺寸,精度等級。
2、如有特殊要求,請在訂貨時詳細說明。
七、售后服務承諾:
1、我公司所售液壓力表系列產品在十二個月以內出現質量問題的,負責免費維修。
2、質保期內如我公司產品出現任何質量問題,我公司負責免費維修或更換。
3、質保期內如用戶使用不當,造成產品損壞,我公司負責維修,收取損壞部件成本費。
4、質保期后產品出現質量問題,我公司負責維修,收取損壞部件成本費。
5、如用戶需我公司現場服務,對省內用戶我公司服務人員12小時內到達現場,省外用戶48小時內到達現場。
6、攜手中偉測控,共創美好未來!我公司投訴電話: 0517-86918678。


